More actions
| BIOS Problems on Pascal GPUs Repair | |
|---|---|
| Device | GTX 1060, GTX 1070, GTX 1070Ti, GTX 1080, GTX 1080Ti |
| Affects part(s) | BIOS Circuit |
| Needs equipment | multimeter, soldering iron, soldering station, oscilloscope. |
| Difficulty | ◉◉◉◌ Hard |
| Type | Soldering, Software |
Problem description
If all hardware components on the card are verified to be in good condition and all required voltages are present, but the computer fails to detect the card, it often indicates a BIOS-related issue.
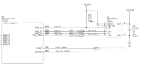
The BIOS circuit operates as follows: During the initialization process, the GPU core pulls pin 1 (CS) low, which activates the BIOS chip. Subsequently, it reads the information stored in the BIOS, including details such as the card's name and clock settings, by communicating through pin 2 (directly connected to the core) and pin 5 (linked through a 33Ω resistor), as illustrated in figure 2. Once these readings are obtained, they are then transmitted to the computer for identification.
Different board manufacturers might use different bios chips, however, they have have the same pinout and work in the same principle.
Markings on the schematic and board could differ from GPU model to another but the circuit is almost always the same. Here is a reference BIOS chip datasheet.


The resistors for pins 1, 2, 5, and 6 are sometimes on the back of the card close to the core.
Symptoms
- All voltages (5, 1.8, vcore, vmem, and PEX) are present on the card but no output or backlight even after sometime (if there is backlight the problem is the memory).
- The card does not get recognized by MATS.
- The card works but unreliably (sometimes works but after power cycling it doesn't work)
Solution
- Firstly, ensure that the BIOS chip is receiving power through its VDD pin.
- Next, using an oscilloscope, probing pins 2 and 5 during initialization allows you to determine whether the GPU core is engaging in communication with the BIOS.
- If there is no signal, it suggests that the core is not attempting to establish communication with the BIOS, which could indicate a faulty core or that the card has not yet reached the initialization phase.
- If there is communication, the issue might lie with the BIOS chip being faulty, the BIOS data being corrupted or modded, or an incompatible BIOS being flashed.
- To fix this, re-flash the original BIOS (available from the TPU BIOS Library or the manufacturer's website) using an SPI/USB adapter.
If communication is established and the BIOS chip is operational, containing the original BIOS content, but there is still no display output, then there may be an underlying issue, possibly a malfunctioning core.