More actions
| 1.8V Rail on Polaris GPUs Explained | |
|---|---|
| Type | Circuit |
| Device(s) | RX 460, RX 470, RX 480, RX 560, RX 570, RX 580, RX 590 |
| Difficulty | ◉◉◌◌ Medium |
'In this guide, we will explore the 1.8V rail on Polaris cards, how it's created, its usage, and common problems associated with it.
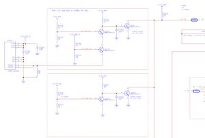
The Controller Circuit
Polaris cards typically use a GS7103-A or a similar Low Drop Out (LDO) regulator to control the 1.8V rail.
The output voltage is adjusted through the FB pin using a voltage divider (please refer to the datasheet or Figure 2).



While markings on the schematic and board may vary from one GPU model to another, the circuit design remains mostly consistent.
Usage
The 1.8V rail is primarily used to power low-level logic components within the GPU core, as well as straps and clock.
Common Problems
No Voltage on the 1.8V Rail
Begin by checking the EN (Figure 3) and VCC pins. If either of them is missing, the controller will not operate. The enable pin should always be in a high state as soon as the card receives power, while VCC is supplied from the 5V LDO, either directly or through a low-resistance path.
After confirming the presence of both EN and VCC on the controller, the next step is to examine the Vin pin, where 3.3V is supplied through some resistors.
If all of the above checks out but there is still no output, investigate the voltage divider on the FB pin according to the schematic (Figure 2) or the datasheet.
Short on the 1.8V Rail
The 1.8V rail feeds directly into the core. If you measure low resistance or a short on this rail, it's highly likely that the GPU core is defective. A short on the 1.8V rail is frequently associated with a dead core, occurring in over 95% of cases.
While less common, a capacitor could also be the source of the short. Using the steps provided in this guide Short Circuits - Repair Basics attempt to identify the source of the short.
No POK Signal
The POK (Power OK) signal from the 1.8V controller is responsible for enabling the Display Rail. If the POK signal is absent, the rest of the card will not function.
If 1.8V is being regulated but POK is not rising, replace the controller. Otherwise, inspect the FB resistors and ensure that the POK signal are not actively held low or shorted to ground.